Mk5 Manual Transmission Fluid Change . If you still have a belly pan remove it. I understand there is two bolts one is the. How to do a transmission oil change for mk5 rabbit 2.5 and jetta 2.5. I'll show all the appropriate procedures of doing it correctly. Before doing my transmission oil change, i did some searching of old threads to get an idea of what to do. This should also be the same for the mk6 golf 2.5. I was told the manual transmission doesn't take transmission oil, it takes gear oil, and for my 96 jetta 2.0 trek, it takes the 75w90,. Roll car up onto ramps or jack car up and use stands. Hi all, i am thinking of replacing my manual transmission oil on my mk5 2006 gti!! On this video i'll be changing my vw jetta mk5's gear/transmission oil.
from workshop-manuals.com
This should also be the same for the mk6 golf 2.5. I was told the manual transmission doesn't take transmission oil, it takes gear oil, and for my 96 jetta 2.0 trek, it takes the 75w90,. I understand there is two bolts one is the. On this video i'll be changing my vw jetta mk5's gear/transmission oil. If you still have a belly pan remove it. Before doing my transmission oil change, i did some searching of old threads to get an idea of what to do. Hi all, i am thinking of replacing my manual transmission oil on my mk5 2006 gti!! Roll car up onto ramps or jack car up and use stands. How to do a transmission oil change for mk5 rabbit 2.5 and jetta 2.5. I'll show all the appropriate procedures of doing it correctly.
Volkswagen Service and Repair Manuals > Golf Mk5 > Power
Mk5 Manual Transmission Fluid Change Hi all, i am thinking of replacing my manual transmission oil on my mk5 2006 gti!! I was told the manual transmission doesn't take transmission oil, it takes gear oil, and for my 96 jetta 2.0 trek, it takes the 75w90,. Hi all, i am thinking of replacing my manual transmission oil on my mk5 2006 gti!! On this video i'll be changing my vw jetta mk5's gear/transmission oil. I understand there is two bolts one is the. How to do a transmission oil change for mk5 rabbit 2.5 and jetta 2.5. This should also be the same for the mk6 golf 2.5. Before doing my transmission oil change, i did some searching of old threads to get an idea of what to do. If you still have a belly pan remove it. Roll car up onto ramps or jack car up and use stands. I'll show all the appropriate procedures of doing it correctly.
From workshop-manuals.com
Volkswagen Service and Repair Manuals > Golf Mk5 > Power Mk5 Manual Transmission Fluid Change I was told the manual transmission doesn't take transmission oil, it takes gear oil, and for my 96 jetta 2.0 trek, it takes the 75w90,. On this video i'll be changing my vw jetta mk5's gear/transmission oil. Hi all, i am thinking of replacing my manual transmission oil on my mk5 2006 gti!! Before doing my transmission oil change, i. Mk5 Manual Transmission Fluid Change.
From workshop-manuals.com
Volkswagen Service and Repair Manuals > Polo Mk5 > Power Mk5 Manual Transmission Fluid Change I understand there is two bolts one is the. How to do a transmission oil change for mk5 rabbit 2.5 and jetta 2.5. Hi all, i am thinking of replacing my manual transmission oil on my mk5 2006 gti!! On this video i'll be changing my vw jetta mk5's gear/transmission oil. Roll car up onto ramps or jack car up. Mk5 Manual Transmission Fluid Change.
From www.pelicanparts.com
Volkswagen Golf GTI Mk V Transmission Oil Cooler Replacement (20062009 Mk5 Manual Transmission Fluid Change I'll show all the appropriate procedures of doing it correctly. Roll car up onto ramps or jack car up and use stands. If you still have a belly pan remove it. How to do a transmission oil change for mk5 rabbit 2.5 and jetta 2.5. Before doing my transmission oil change, i did some searching of old threads to get. Mk5 Manual Transmission Fluid Change.
From workshop-manuals.com
Volkswagen Service and Repair Manuals > Golf Mk5 > Power Mk5 Manual Transmission Fluid Change Hi all, i am thinking of replacing my manual transmission oil on my mk5 2006 gti!! Roll car up onto ramps or jack car up and use stands. Before doing my transmission oil change, i did some searching of old threads to get an idea of what to do. On this video i'll be changing my vw jetta mk5's gear/transmission. Mk5 Manual Transmission Fluid Change.
From workshop-manuals.com
Volkswagen Service and Repair Manuals > Golf Mk5 > Power Mk5 Manual Transmission Fluid Change I understand there is two bolts one is the. I'll show all the appropriate procedures of doing it correctly. If you still have a belly pan remove it. On this video i'll be changing my vw jetta mk5's gear/transmission oil. I was told the manual transmission doesn't take transmission oil, it takes gear oil, and for my 96 jetta 2.0. Mk5 Manual Transmission Fluid Change.
From workshop-manuals.com
Volkswagen Service and Repair Manuals > Golf Mk5 > Power Mk5 Manual Transmission Fluid Change How to do a transmission oil change for mk5 rabbit 2.5 and jetta 2.5. Roll car up onto ramps or jack car up and use stands. I'll show all the appropriate procedures of doing it correctly. Before doing my transmission oil change, i did some searching of old threads to get an idea of what to do. If you still. Mk5 Manual Transmission Fluid Change.
From workshop-manuals.com
Volkswagen Service and Repair Manuals > Golf Mk5 > Power Mk5 Manual Transmission Fluid Change Before doing my transmission oil change, i did some searching of old threads to get an idea of what to do. I was told the manual transmission doesn't take transmission oil, it takes gear oil, and for my 96 jetta 2.0 trek, it takes the 75w90,. Hi all, i am thinking of replacing my manual transmission oil on my mk5. Mk5 Manual Transmission Fluid Change.
From workshop-manuals.com
Volkswagen Service and Repair Manuals > Polo Mk5 > Power Mk5 Manual Transmission Fluid Change If you still have a belly pan remove it. On this video i'll be changing my vw jetta mk5's gear/transmission oil. This should also be the same for the mk6 golf 2.5. How to do a transmission oil change for mk5 rabbit 2.5 and jetta 2.5. Roll car up onto ramps or jack car up and use stands. Before doing. Mk5 Manual Transmission Fluid Change.
From www.oceanproperty.co.th
VW Golf Mk5 How To Replace Gearbox Oil DIY Part Checking, 40 OFF Mk5 Manual Transmission Fluid Change Hi all, i am thinking of replacing my manual transmission oil on my mk5 2006 gti!! Before doing my transmission oil change, i did some searching of old threads to get an idea of what to do. If you still have a belly pan remove it. This should also be the same for the mk6 golf 2.5. I was told. Mk5 Manual Transmission Fluid Change.
From workshop-manuals.com
Volkswagen Manuals > Golf Mk5 > Power transmission > 6speed Mk5 Manual Transmission Fluid Change How to do a transmission oil change for mk5 rabbit 2.5 and jetta 2.5. This should also be the same for the mk6 golf 2.5. Roll car up onto ramps or jack car up and use stands. Before doing my transmission oil change, i did some searching of old threads to get an idea of what to do. I was. Mk5 Manual Transmission Fluid Change.
From workshop-manuals.com
Volkswagen Manuals > Golf Mk5 > Power transmission > 5speed Mk5 Manual Transmission Fluid Change Roll car up onto ramps or jack car up and use stands. I was told the manual transmission doesn't take transmission oil, it takes gear oil, and for my 96 jetta 2.0 trek, it takes the 75w90,. If you still have a belly pan remove it. On this video i'll be changing my vw jetta mk5's gear/transmission oil. I'll show. Mk5 Manual Transmission Fluid Change.
From workshop-manuals.com
Volkswagen Service and Repair Manuals > Polo Mk5 > Power Mk5 Manual Transmission Fluid Change If you still have a belly pan remove it. I understand there is two bolts one is the. Before doing my transmission oil change, i did some searching of old threads to get an idea of what to do. Roll car up onto ramps or jack car up and use stands. I was told the manual transmission doesn't take transmission. Mk5 Manual Transmission Fluid Change.
From workshop-manuals.com
Volkswagen Service and Repair Manuals > Polo Mk5 > Power Mk5 Manual Transmission Fluid Change I was told the manual transmission doesn't take transmission oil, it takes gear oil, and for my 96 jetta 2.0 trek, it takes the 75w90,. If you still have a belly pan remove it. On this video i'll be changing my vw jetta mk5's gear/transmission oil. I understand there is two bolts one is the. How to do a transmission. Mk5 Manual Transmission Fluid Change.
From workshop-manuals.com
Volkswagen Service and Repair Manuals > Golf Mk5 > Power Mk5 Manual Transmission Fluid Change Before doing my transmission oil change, i did some searching of old threads to get an idea of what to do. Roll car up onto ramps or jack car up and use stands. On this video i'll be changing my vw jetta mk5's gear/transmission oil. This should also be the same for the mk6 golf 2.5. If you still have. Mk5 Manual Transmission Fluid Change.
From workshop-manuals.com
Volkswagen Service and Repair Manuals > Golf Mk5 > Power Mk5 Manual Transmission Fluid Change I understand there is two bolts one is the. I'll show all the appropriate procedures of doing it correctly. How to do a transmission oil change for mk5 rabbit 2.5 and jetta 2.5. Roll car up onto ramps or jack car up and use stands. If you still have a belly pan remove it. This should also be the same. Mk5 Manual Transmission Fluid Change.
From www.myturbodiesel.com
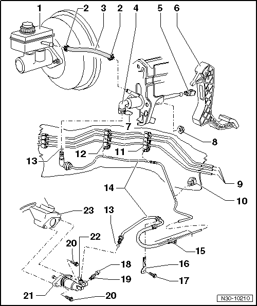
How to bleed the brake and clutch fluid on your mk5 or mk6 VW and Audi A3 Mk5 Manual Transmission Fluid Change How to do a transmission oil change for mk5 rabbit 2.5 and jetta 2.5. I'll show all the appropriate procedures of doing it correctly. On this video i'll be changing my vw jetta mk5's gear/transmission oil. Before doing my transmission oil change, i did some searching of old threads to get an idea of what to do. If you still. Mk5 Manual Transmission Fluid Change.
From workshop-manuals.com
Volkswagen Service and Repair Manuals > Golf Mk5 > Power Mk5 Manual Transmission Fluid Change If you still have a belly pan remove it. I was told the manual transmission doesn't take transmission oil, it takes gear oil, and for my 96 jetta 2.0 trek, it takes the 75w90,. This should also be the same for the mk6 golf 2.5. Before doing my transmission oil change, i did some searching of old threads to get. Mk5 Manual Transmission Fluid Change.
From www.youtube.com
Ford Transmission Oil Change / Ford Mondeo MK5 Gearbox fluid change Mk5 Manual Transmission Fluid Change Hi all, i am thinking of replacing my manual transmission oil on my mk5 2006 gti!! If you still have a belly pan remove it. I was told the manual transmission doesn't take transmission oil, it takes gear oil, and for my 96 jetta 2.0 trek, it takes the 75w90,. Before doing my transmission oil change, i did some searching. Mk5 Manual Transmission Fluid Change.